DK-B-001B(주문형) > 제품 소개

본문 바로가기


제품 소개

 

B파트 | DK-B-001B(주문형)

페이지 정보

작성자 최고관리자 작성일16-11-21 20:29 조회2,116회

본문

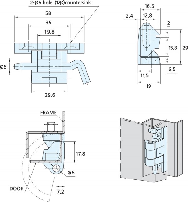
COMBINATION HINGE

재 질 : 아연합금(ZDCII)

표면처리 : 크롬도금(CR), 흑색도장(BK), 크롬무광도금(CV)

특 징 : 2T이하의 판넬두께에 적용되며 함체내부에 부착하여 외관이 미려하다.

용 도 : 산업용 기기 및 정보통신 기기 등

 

 

 

 상단으로

상호 :(주)덕광하드웨어 본사 : 부산광역시 서구 토성동 1가 8-61 / 전화 : 051-244-5127 / 팩스 : 051-244-5527 / 이메일 :dkh1041@naver.com / 대표이사 : 허성표

Copyright © 2016 BY DUKKWANG. All rights reserved.