DK-B-2040 > 제품 소개

본문 바로가기


제품 소개

 

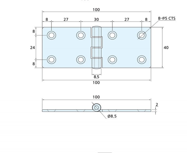
B파트 | DK-B-2040

페이지 정보

작성자 최고관리자 작성일16-11-21 22:47 조회1,832회

본문

BUTT HINGE

재 질 : SUS304

용 도 : 공작기계, 각종 산업기기 등

 

 

 

 상단으로

상호 :(주)덕광하드웨어 본사 : 부산광역시 서구 토성동 1가 8-61 / 전화 : 051-244-5127 / 팩스 : 051-244-5527 / 이메일 :dkh1041@naver.com / 대표이사 : 허성표

Copyright © 2016 BY DUKKWANG. All rights reserved.