DK-S-0193 > 제품 소개

본문 바로가기


제품 소개

 

S파트 | DK-S-0193

페이지 정보

작성자 최고관리자 작성일16-11-18 01:10 조회2,526회

본문

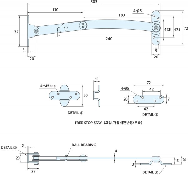
FREE STOP STAY

재 질 : SCP1 / SUS304

표면처리 : 크롬도금

특 징 : 좌우있음

용 도 : 수, 배전반 외

 

 

 상단으로

상호 :(주)덕광하드웨어 본사 : 부산광역시 서구 토성동 1가 8-61 / 전화 : 051-244-5127 / 팩스 : 051-244-5527 / 이메일 :dkh1041@naver.com / 대표이사 : 허성표

Copyright © 2016 BY DUKKWANG. All rights reserved.